- Home
- Online Store
- INGERSOLL
- AXLE
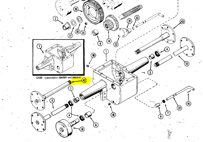
- C22843 } AXLE SHAFT ASM SHORT (RH) OLD S
C22843 } AXLE SHAFT ASM SHORT (RH) OLD S
Product Description
AXLE SHAFT ASM SHORT OLD STYLE
- RH Axle
- 600 Loader Backhoe series with LL20 flotation (long axles) configuraiton
$487.91
Loading... Please wait...


